My name is Jadriana Harris, currently working on my associate's degree in Engineering and Technology at MCCKC. This is a catalog dedicated to highlighting my personal abilities within the drafting and engineering industry. A gallery of my professional skills, abilities, and knowledge.

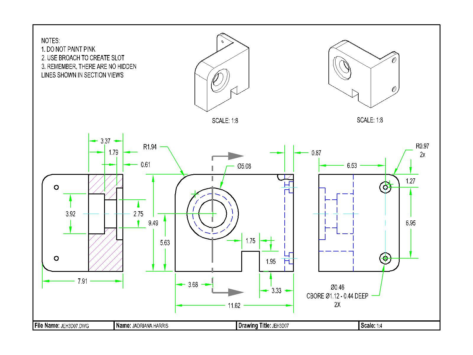
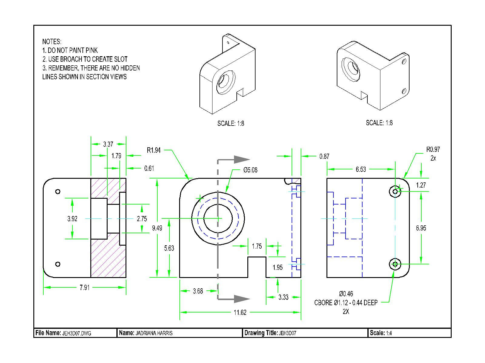
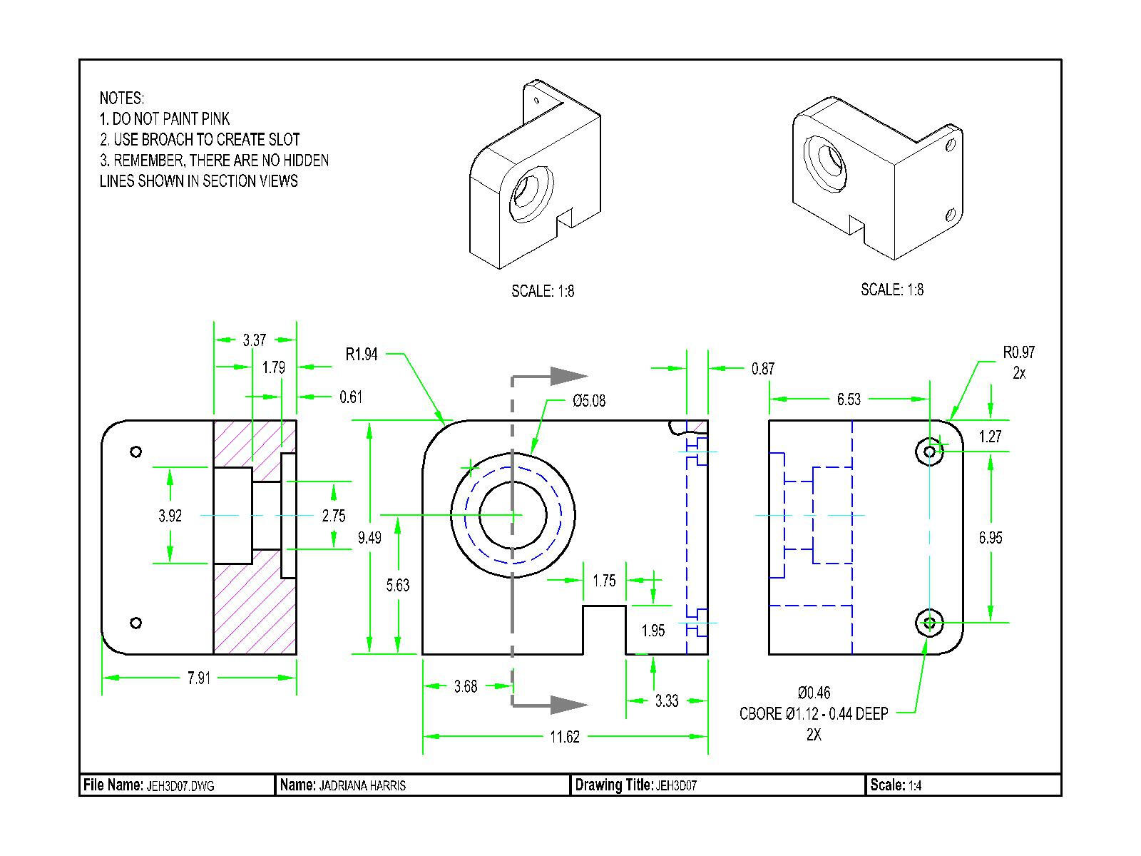
Mounting Bracket Drawing - Created a fully dimensioned multi-view technical drawing from a 3D model, including section views, hidden lines, and manufacturing callouts. This project demonstrates proficiency in producing clear, production-ready documentation

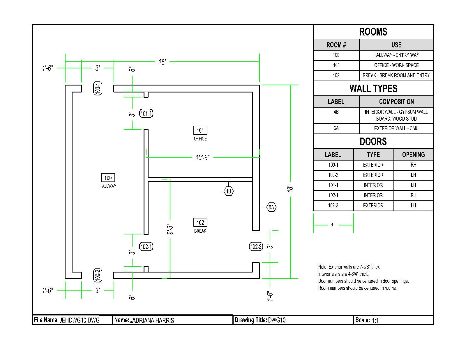
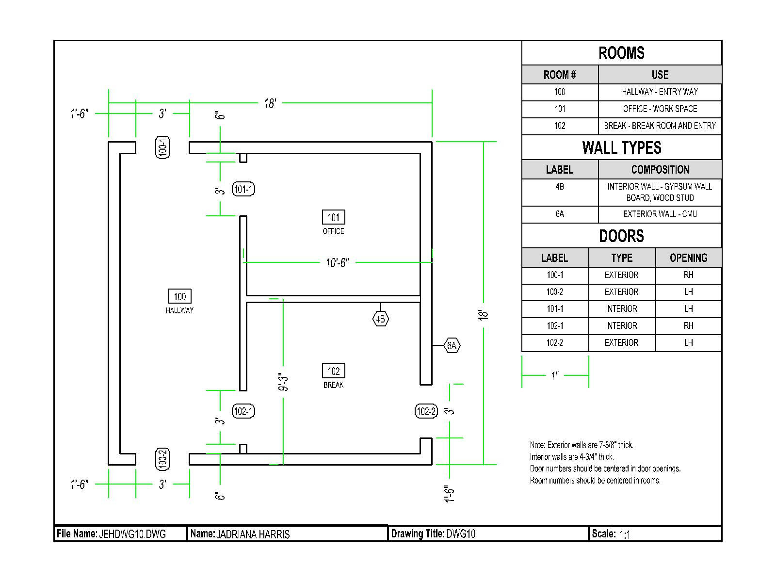
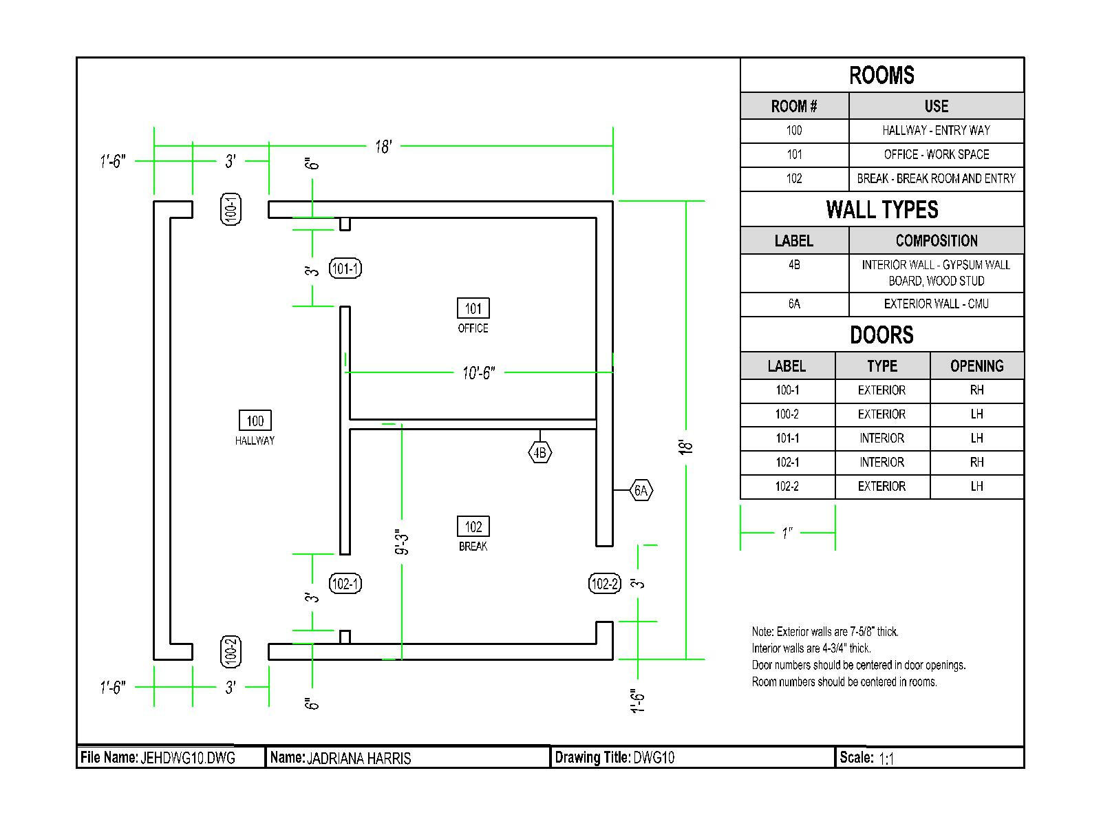
Floor Plan - Developed a detailed floor plan including room layouts, wall types, and door schedules. Applied industry-standard drafting practices to create a clear and organized construction drawing.
Designed a residential roadway system using Civil 3D, including alignments, profiles, corridors, and assemblies. This project demonstrates the ability to model roadway geometry, analyze elevation changes, and generate structured layouts for site development.

Cleaned Site Plan - Refined site plan presentation highlighting roadway geometry and lot layout for clear visualization and documentation.

Site Plan (Lots + Cul-de-sac layout) - Designed a residential site layout including roadway alignment and cul-de-sac geometry. Calculated parcel areas and organized lot configurations around roadway design.

Corridor / Road Model - Modeled roadway corridors using alignments and assemblies to generate a 3D representation of the road network.

Corridor Assemblies - Developed roadway assemblies defining lane structure and cross-sectional components used in corridor modeling.

Main Road Profile - Created a detailed longitudinal profile for the main roadway, illustrating grade changes and vertical curve design.

Road Profiles - Developed roadway profiles to define elevation changes and slopes, ensuring smooth vertical transitions along the roadway.

Flanged Pipe Assembly - Multi-elbow piping system with bolted flange connections and gasket seals. Modeled with standard pipe fittings and dimensional annotations.

Exploded Assembly View - Flanged pipe connection showing hex bolts, gasket, and mating flanges. Demonstrates component relationships and assembly sequence.

X-Ray Visualization - Full piping loop with transparency applied to reveal internal geometry, wall thickness, and flange dimensions across all connections.
© Untitled. All rights reserved.